- British Pharmacopoeia Volume V
- Appendices
- Appendix XII B. Dissolution
Appendix XII B. Dissolution |
This test is provided to determine compliance with the dissolution requirements for solid dosage forms administered orally. In this chapter, a dosage unit is defined as 1 tablet or 1 capsule or the amount specified.
Apparatus 1 (Basket apparatus) The assembly consists of the following: a vessel, which may be covered, made of glass or other inert, transparent material1 ; a motor; a drive shaft; and a cylindrical basket (stirring element). The vessel is partially immersed in a suitable water-bath of any convenient size or heated by a suitable device such as a heating jacket. The water-bath or heating device permits maintaining the temperature inside the vessel at 37 ± 0.5 °C during the test and keeping the dissolution medium in constant, smooth motion. No part of the assembly, including the environment in which the assembly is placed, contributes significant motion, agitation, or vibration beyond that due to the smoothly rotating stirring element. Apparatus that permits observation of the preparation and stirring element during the test is preferable. The vessel is cylindrical, with a hemispherical bottom and a capacity of 1 litre. Its height is 160-210 mm and its inside diameter is 98-106 mm. Its sides are flanged at the top. A fitted cover may be used to retard evaporation2. The shaft is positioned so that its axis is not more than 2 mm at any point from the vertical axis of the vessel and rotates smoothly and without significant wobble that could affect the results. A speed-regulating device is used that allows the shaft rotation speed to be selected and maintained at a specified rate, within ± 4 per cent.
Shaft and basket components of the stirring element are fabricated of stainless steel, type 316 or equivalent, to the specifications shown in Figure 2.9.3.-1.
A basket having a gold coating of about 2.5 µm (0.0001 inch) thick may be used. The dosage unit is placed in a dry basket at the beginning of each test. The distance between the inside bottom of the vessel and the bottom of the basket is maintained at 25 ± 2 mm during the test.
Apparatus 2 (Paddle apparatus) Use the assembly from Apparatus 1, except that a paddle formed from a blade and a shaft is used as the stirring element. The shaft is positioned so that its axis is not more than 2 mm from the vertical axis of the vessel, at any point, and rotates smoothly without significant wobble that could affect the results. The vertical center line of the blade passes through the axis of the shaft so that the bottom of the blade is flush with the bottom of the shaft. The paddle conforms to the specifications shown in Figure 2.9.3.-2. The distance of 25 ± 2 mm between the bottom of the blade and the inside bottom of the vessel is maintained during the test. The metallic or suitably inert, rigid blade and shaft comprise a single entity. A suitable two-part detachable design may be used provided the assembly remains firmly engaged during the test. The paddle blade and shaft may be coated with a suitable coating so as to make them inert. The dosage unit is allowed to sink to the bottom of the vessel before rotation of the blade is started. A small, loose piece of non-reactive material, such as not more than a few turns of wire helix, may be attached to dosage units that would otherwise float. An alternative sinker device is shown in Figure 2.9.3.-3. Other validated sinker devices may be used.
![bp2012_v5_47_12_[appendix_xii_b]_1_revised_texts_ep7-3 293dissolutiontestforsoliddosageforms_1_2013_73_fig.png](bp_images/bp2012_v5_47_12_[appendix_xii_b]_1_revised_texts_ep7-3/293dissolutiontestforsoliddosageforms_1_2013_73_fig.png)
![bp2012_v5_47_12_[appendix_xii_b]_1_revised_texts_ep7-3 293dissolutiontestforsoliddosageforms_2_2013_73_fig.png](bp_images/bp2012_v5_47_12_[appendix_xii_b]_1_revised_texts_ep7-3/293dissolutiontestforsoliddosageforms_2_2013_73_fig.png)
Apparatus 3 (Reciprocating cylinder) The assembly consists of a set of cylindrical, flat-bottomed glass vessels; a set of glass reciprocating cylinders; inert fittings (stainless steel type 316 or other suitable material) and screens that are made of suitable nonsorbing and nonreactive material, and that are designed to fit the tops and bottoms of the reciprocating cylinders; a motor and drive assembly to reciprocate the cylinders vertically inside the vessels, and if desired, index the reciprocating cylinders horizontally to a different row of vessels. The vessels are partially immersed in a suitable water-bath of any convenient size that permits holding the temperature at 37 ± 0.5 °C during the test. No part of the assembly, including the environment in which the assembly is placed, contributes significant motion, agitation, or vibration beyond that due to the smooth, vertically reciprocating cylinder. A device is used that allows the reciprocation rate to be selected and maintained at the specified dip rate, within ± 5 per cent. An apparatus that permits observation of the preparations and reciprocating cylinders is preferable. The vessels are provided with an evaporation cap that remains in place for the duration of the test. The components conform to the dimensions shown in Figure 2.9.3.-4 unless otherwise specified.
![bp2012_v5_47_12_[appendix_xii_b]_1_revised_texts_ep7-3 293dissolutiontestforsoliddosageforms_3_2013_73_fig.png](bp_images/bp2012_v5_47_12_[appendix_xii_b]_1_revised_texts_ep7-3/293dissolutiontestforsoliddosageforms_3_2013_73_fig.png)
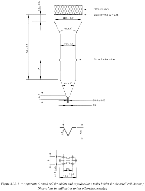
Apparatus 4 (Flow-through cell) The assembly consists of a reservoir and a pump for the dissolution medium; a flow-through cell; a water-bath that maintains the dissolution medium at 37 ± 0.5 °C. Use the specified cell size.
The pump forces the dissolution medium upwards through the flow-through cell. The pump has a delivery range between 240 mL/h and 960 mL/h, with standard flow rates of 4 mL/min, 8 mL/min, and 16 mL/min. It must deliver a constant flow (± 5 per cent of the nominal flow rate); the flow profile is sinusoidal with a pulsation of 120 ± 10 pulses/min. A pump without pulsation may also be used. Dissolution test procedures using the flow-through cell must be characterised with respect to rate and any pulsation.
The flow-through cell (see Figures 2.9.3.-5 and 2.9.3.-6) of transparent and inert material is mounted vertically, with a filter system that prevents escape of undissolved particles from the top of the cell; standard cell diameters are 12 mm and 22.6 mm; the bottom cone is usually filled with small glass beads of about 1 mm diameter, with 1 bead of about 5 mm positioned at the apex to protect the fluid entry tube; a tablet holder (see Figures 2.9.3.-5 and 2.9.3.-6) is available for positioning of special dosage forms. The cell is immersed in a water-bath, and the temperature is maintained at 37 ± 0.5 °C.
The apparatus uses a clamp mechanism and 2 O-rings for the fixation of the cell assembly. The pump is separated from the dissolution unit in order to shield the latter against any vibrations originating from the pump. The position of the pump must not be on a level higher than the reservoir flasks. Tube connections are as short as possible. Use suitably inert tubing, such as polytetrafluoroethylene, with a 1.6 mm inner diameter and inert flanged-end connections.
Apparatus suitability The determination of suitability of the apparatus to perform dissolution testing must include conformance to the dimensions and tolerances of the apparatus as given above. In addition, critical test parameters that have to be monitored periodically during use include volume and temperature of the dissolution medium, rotation speed (Apparatus 1 and 2), dip rate (Apparatus 3), and flow rate of medium (Apparatus 4).
Determine the acceptable performance of the dissolution test assembly periodically.
Conventional-release solid dosage forms
Procedure Place the stated volume of the dissolution medium (± 1 per cent) in the vessel of the specified apparatus. Assemble the apparatus, equilibrate the dissolution medium to 37 ± 0.5 °C, and remove the thermometer. The test may also be carried out with the thermometer in place, provided it is shown that results equivalent to those obtained without the thermometer are obtained.
Place 1 dosage unit in the apparatus, taking care to exclude air bubbles from the surface of the dosage unit. Operate the apparatus at the specified rate. Within the time interval specified, or at each of the times stated, withdraw a specimen from a zone midway between the surface of the dissolution medium and the top of the rotating basket or blade, not less than 1 cm from the vessel wall. Where multiple sampling times are specified, replace the aliquots withdrawn for analysis with equal volumes of fresh dissolution medium at 37 °C or, where it can be shown that replacement of the medium is not necessary, correct for the volume change in the calculation. Keep the vessel covered for the duration of the test and verify the temperature of the medium at suitable times. Perform the analysis using a suitable assay method3. Repeat the test with additional dosage units.
If automated equipment is used for sampling or the apparatus is otherwise modified, verification that the modified apparatus will produce results equivalent to those obtained with the apparatus described in this chapter, is necessary.
Dissolution medium A suitable dissolution medium is used. The volume specified refers to measurements made between 20 °C and 25 °C. If the dissolution medium is a buffered solution, adjust the solution so that its pH is within 0.05 units of the specified pH. Dissolved gases can cause bubbles to form, which may change the results of the test. In such cases, dissolved gases must be removed prior to testing4.
Time Where a single time specification is given, the test may be concluded in a shorter period if the requirement for minimum amount dissolved is met. Samples are to be withdrawn only at the stated times, within a tolerance of ± 2 per cent.
Prolonged-release solid dosage forms
Procedure Proceed as described for conventional-release dosage forms.
Dissolution medium Proceed as described for conventional-release dosage forms.
Time The test-time points, generally 3, are expressed in hours.
Delayed-release solid dosage forms
Procedure Use Method A or Method B.
Method A
- — Acid stage Place 750 mL of 0.1 M hydrochloric acid in the vessel, and assemble the apparatus. Allow the medium to equilibrate to a temperature of 37 ± 0.5 °C. Place 1 dosage unit in the apparatus, cover the vessel and operate the apparatus at the specified rate. After 2 h of operation in 0.1 M hydrochloric acid, withdraw an aliquot of the fluid and proceed immediately as directed under Buffer stage. Perform an analysis of the aliquot using a suitable assay method.
- — Buffer stage Complete the operations of adding the buffer and adjusting the pH within 5 min. With the apparatus operating at the rate specified, add to the fluid in the vessel 250 mL of a 0.20 M solution of trisodium phosphate dodecahydrate R that has been equilibrated to 37 ± 0.5 °C. Adjust, if necessary, with 2 M hydrochloric acid R or 2 M sodium hydroxide R to a pH of 6.8 ± 0.05. Continue to operate the apparatus for 45 min, or for the specified time. At the end of the time period, withdraw an aliquot of the fluid and perform the analysis using a suitable assay method.
Method B
- — Acid Stage Place 1000 mL of 0.1 M hydrochloric acid in the vessel and assemble the apparatus. Allow the medium to equilibrate to a temperature of 37 ± 0.5 °C. Place 1 dosage unit in the apparatus, cover the vessel, and operate the apparatus at the specified rate. After 2 h of operation in 0.1 M hydrochloric acid, withdraw an aliquot of the fluid, and proceed immediately as directed under Buffer stage. Perform an analysis of the aliquot using a suitable assay method.
- — Buffer stage For this stage of the procedure use buffer that has previously been equilibrated to a temperature of 37 ± 0.5 °C. Drain the acid from the vessel and add 1000 mL of pH 6.8 phosphate buffer, prepared by mixing 3 volumes of 0.1 M hydrochloric acid with 1 volume of a 0.20 M solution of trisodium phosphate dodecahydrate R and adjusting, if necessary, with 2 M hydrochloric acid R or 2 M sodium hydroxide R to a pH of 6.8 ± 0.05. This may also be accomplished by removing from the apparatus the vessel containing the acid and replacing it with another vessel, containing the buffer and transferring the dosage unit to the vessel containing the buffer. Continue to operate the apparatus for 45 min, or for the specified time. At the end of the time period, withdraw an aliquot of the fluid and perform the analysis using a suitable assay method.
Time All test times stated are to be observed within a tolerance of ± 2 per cent, unless otherwise specified.
Conventional-release solid dosage forms
Procedure Place the stated volume of the dissolution medium (± 1 per cent) in each vessel of the apparatus. Assemble the apparatus, equilibrate the dissolution medium to 37 ± 0.5 °C, and remove the thermometer. Place 1 dosage unit in each of the reciprocating cylinders, taking care to exclude air bubbles from the surface of each dosage unit, and immediately operate the apparatus as specified. During the upward and downward stroke, the reciprocating cylinder moves through a total distance of 9.9-10.1 cm. Within the time interval specified, or at each of the times stated, raise the reciprocating cylinders and withdraw a portion of the medium from a zone midway between the surface of the dissolution medium and the bottom of each vessel. Perform the analysis as directed. If necessary, repeat the test with additional dosage units.
Replace the aliquot withdrawn for analysis with equal volumes of fresh dissolution medium at 37 °C or, where it can be shown that replacement of the medium is not necessary, correct for the volume change in the calculation. Keep the vessel covered with the evaporation cap for the duration of the test and verify the temperature of the medium at suitable times.
Dissolution medium Proceed as described for conventional-release dosage forms under Apparatus 1 and 2.
Time Proceed as described for conventional-release dosage forms under Apparatus 1 and 2.
![bp2012_v5_47_12_[appendix_xii_b]_1_revised_texts_ep7-3 293dissolutiontestforsoliddosageforms_4_2013_73_fig.png](bp_images/bp2012_v5_47_12_[appendix_xii_b]_1_revised_texts_ep7-3/293dissolutiontestforsoliddosageforms_4_2013_73_fig.png)
![bp2012_v5_47_12_[appendix_xii_b]_1_revised_texts_ep7-3 293dissolutiontestforsoliddosageforms_5_2013_73_fig.png](bp_images/bp2012_v5_47_12_[appendix_xii_b]_1_revised_texts_ep7-3/293dissolutiontestforsoliddosageforms_5_2013_73_fig.png)
![bp2012_v5_47_12_[appendix_xii_b]_1_revised_texts_ep7-3 293dissolutiontestforsoliddosageforms_6_2013_73_fig.png](bp_images/bp2012_v5_47_12_[appendix_xii_b]_1_revised_texts_ep7-3/293dissolutiontestforsoliddosageforms_6_2013_73_fig.png)
Prolonged-release dosage forms
Procedure Proceed as described for conventional-release dosage forms under Apparatus 3.
Dissolution medium Proceed as described for prolonged-release dosage forms under Apparatus 1 and 2.
Time Proceed as described for prolonged-release dosage forms under Apparatus 1 and 2.
Delayed-release dosage forms
Procedure Proceed as described for delayed-release dosage forms, Method B, under Apparatus 1 and 2, using one row of vessels for the acid stage media and the following row of vessels for the buffer stage media, and using the volume of medium specified (usually 300 mL).
Time Proceed as directed for delayed-release dosage forms under Apparatus 1 and 2.
Conventional-release dosage forms
Procedure Place the glass beads into the cell specified. Place 1 dosage unit on top of the beads or, if specified, on a wire carrier. Assemble the filter head and fix the parts together by means of a suitable clamping device. Introduce by the pump the dissolution medium warmed to 37 ± 0.5 °C through the bottom of the cell to obtain the flow rate specified and measured with an accuracy of 5 per cent. Collect the eluate by fractions at each of the times stated. Perform the analysis as directed. Repeat the test with additional dosage units.
Dissolution medium Proceed as described for conventional-release dosage forms under Apparatus 1 and 2.
Time Proceed as described for conventional-release dosage forms under Apparatus 1 and 2.
Prolonged-release dosage forms
Procedure Proceed as described for conventional-release dosage forms under Apparatus 4.
Dissolution medium Proceed as described for conventional-release dosage forms under Apparatus 4.
Time Proceed as described for conventional-release dosage forms under Apparatus 4.
Delayed-release dosage forms
Procedure Proceed as described for delayed-release dosage forms under Apparatus 1 and 2, using the specified media.
Time Proceed as described for delayed-release dosage forms under Apparatus 1 and 2.
Conventional-release solid dosage forms
Unless otherwise specified, the requirements are met if the quantities of active substance dissolved from the dosage units tested conform to Table 2.9.3.-1. Continue testing through the 3 levels unless the results conform at either S1 or S2. The quantity Q, is the specified amount of dissolved active substance, expressed as a percentage of the labelled content; the 5 per cent, 15 per cent, and 25 per cent values in the Table are percentages of the labelled content so that these values and Q are in the same terms.
![bp2012_v5_47_12_[appendix_xii_b]_1_revised_texts_ep7-3 293dissolutiontestforsoliddosageforms_7_2013_73_tb.png](bp_images/bp2012_v5_47_12_[appendix_xii_b]_1_revised_texts_ep7-3/293dissolutiontestforsoliddosageforms_7_2013_73_tb.png)
Prolonged-release dosage forms
Unless otherwise specified, the requirements are met if the quantities of active substance dissolved from the dosage units tested conform to Table 2.9.3.-2. Continue testing through the 3 levels unless the results conform at either L1 or L2. Limits on the amounts of active substance dissolved are expressed in terms of the percentage of labelled content. The limits embrace each value of Qi, the amount dissolved at each specified fractional dosing interval. Where more than one range is specified, the acceptance criteria apply individually to each range.
![bp2012_v5_47_12_[appendix_xii_b]_1_revised_texts_ep7-3 293dissolutiontestforsoliddosageforms_8_2013_73_tb.png](bp_images/bp2012_v5_47_12_[appendix_xii_b]_1_revised_texts_ep7-3/293dissolutiontestforsoliddosageforms_8_2013_73_tb.png)
Delayed-release dosage forms
Acid stage Unless otherwise specified, the requirements of this portion of the test are met if the quantities, based on the percentage of the labelled content of active substance dissolved from the units tested conform to Table 2.9.3.-3. Continue testing through the 3 levels unless the results of both acid and buffer stages conform at an earlier level.
![bp2012_v5_47_12_[appendix_xii_b]_1_revised_texts_ep7-3 293dissolutiontestforsoliddosageforms_9_2013_73_tb.png](bp_images/bp2012_v5_47_12_[appendix_xii_b]_1_revised_texts_ep7-3/293dissolutiontestforsoliddosageforms_9_2013_73_tb.png)
Buffer stage Unless otherwise specified, the requirements are met if the quantities of active substance dissolved from the units tested conform to Table 2.9.3.-4. Continue testing through the 3 levels unless the results of both stages conform at an earlier level. The value of Q in Table 2.9.3.-4 is 75 per cent dissolved unless otherwise specified. The quantity, Q, is the specified total amount of active substance dissolved in both the acid and buffer stages, expressed as a percentage of the labelled content. The 5 per cent, 15 per cent and 25 per cent values in the Table are percentages of the labelled content so that these values and Q are in the same terms.
![bp2012_v5_47_12_[appendix_xii_b]_1_revised_texts_ep7-3 293dissolutiontestforsoliddosageforms_10_2013_73_tb.png](bp_images/bp2012_v5_47_12_[appendix_xii_b]_1_revised_texts_ep7-3/293dissolutiontestforsoliddosageforms_10_2013_73_tb.png)
Recommendations on dissolution testing are given in general chapter 5.17.1.
1 The materials must not sorb, react, or interfere with the preparation to be tested.2 If a cover is used, it provides sufficient openings to allow ready insertion of the thermometer and withdrawal of samples.
3 Test specimens are filtered immediately upon sampling unless filtration is demonstrated to be unnecessary. Use an inert filter that does not cause adsorption of the active substance or contain extractable substances that would interfere with the analysis
4 A method of deaeration is as follows: heat the medium, while stirring gently, to about 41 °C, immediately filter under vacuum using a filter having a porosity of 0.45 µm or less, with vigorous stirring, and continue stirring under vacuum for about 5 min. Other validated deaeration techniques for removal of dissolved gases may be used.