- British Pharmacopoeia Volume V
- Appendices
- Appendix XII B. Dissolution
Appendix XII B. Dissolution ANNEX: Recommendations on Dissolution Testing |
This general chapter is non-mandatory; it provides information on dissolution testing, on recommended dissolution media and on the expression of dissolution specifications for oral dosage forms (see general chapter 2.9.3. Dissolution test for solid dosage forms). This information represents generally accepted parameters used in the field of dissolution.
In the determination of the dissolution rate of the active substance(s) of a solid dosage form, the following are to be specified:
- — the apparatus to be used, and in cases where the flow-through apparatus is specified, which flow-through cell is to be used;
- — the composition, the volume and the temperature of the dissolution medium;
- — the rotation speed or the flow rate of the dissolution medium;
- — the time, the method and the amount for sampling of the test solution or the conditions for continuous monitoring;
- — the method of analysis;
- — the acceptance criteria.
The choice of apparatus to be used depends on the physico-chemical characteristics of the dosage form. When a large quantity of dissolution medium is required to ensure sink conditions, or when a change of pH is necessary, the flow-through apparatus may be preferred.
The use of the basket and the paddle apparatus and the reciprocating cylinder apparatus is generally based on the principle of operating under sink conditions, i.e. in such a manner that the material already in solution does not exert a significant modifying effect on the rate of dissolution of the remainder. Sink conditions normally occur in a volume of dissolution medium that is at least 3-10 times the saturation volume.
In general, an aqueous medium is used. The composition of the medium is chosen on the basis of the physico-chemical characteristics of the active substance(s) and excipient(s) within the range of conditions to which the dosage form is likely to be exposed after its administration. This applies in particular to the pH and the ionic strength of the dissolution medium.
The pH of the dissolution medium is usually set between pH 1 and pH 8. In justified cases, a higher pH may be needed. For the lower pH values in the acidic range, 0.1 M hydrochloric acid is normally used. Recommended dissolution media are described hereafter.
Water is recommended as a dissolution medium only when it is proven that the pH variations do not have an influence on the dissolution characteristics.
In specific cases, and subject to approval by the competent authority, dissolution media may contain enzymes, surfactants, further inorganic substances and organic substances. For the testing of preparations containing poorly aqueous-soluble active substances, modification of the medium may be necessary. In such circumstances, a low concentration of surfactant is recommended; it is recommended to avoid the use of organic solvents.
Gases dissolved in the dissolution medium can affect the results of the dissolution test. This is true in particular for the flow-through apparatus, where de-aeration of the medium is necessary to avoid the formation of gas bubbles in the flow-through cell. A suitable method of de-aeration is as follows: heat the medium while stirring gently to about 41 °C, immediately filter under vacuum using a filter with a porosity of 0.45 µm or less, with vigorous stirring, and continue stirring under vacuum for about 5 min. Other de-aeration techniques for removal of dissolved gases may be used.
Using the paddle or basket apparatus, the volume of dissolution medium is normally 500-1000 mL. A stirring speed of between 50 r/min and 100 r/min is normally chosen; it must not exceed 150 r/min.
For the flow-through apparatus, the liquid flow rate is normally set between 4 mL/min and 50 mL/min.
The following dissolution media may be used.
![bp2012_v5_47_12_[appendix_xii_b]_3_annex_revised_texts_ep7-3 5171recommendationsondissolutiontesting_1_2012_70_tb.png](bp_images/bp2012_v5_47_12_[appendix_xii_b]_3_annex_revised_texts_ep7-3/5171recommendationsondissolutiontesting_1_2012_70_tb.png)
The composition and preparation of these various media are indicated below.
- — 0.2 M hydrochloric acid.
- — 0.2 M sodium chloride. Dissolve 11.69 g of sodium chloride R in water R and dilute to 1000.0 mL with the same solvent.
For preparing media with the pH values indicated in Table 5.17.1.-2, mix 250.0 mL of 0.2 M sodium chloride and the specified volume of 0.2 M hydrochloric acid, and dilute to 1000.0 mL with water R.
![bp2012_v5_47_12_[appendix_xii_b]_3_annex_revised_texts_ep7-3 5171recommendationsondissolutiontesting_2_2012_70_tb.png](bp_images/bp2012_v5_47_12_[appendix_xii_b]_3_annex_revised_texts_ep7-3/5171recommendationsondissolutiontesting_2_2012_70_tb.png)
The hydrochloric acid media may also be prepared by replacing sodium chloride with potassium chloride.
- — 2 M acetic acid. Dilute 120.0 g of glacial acetic acid R to 1000.0 mL with water R.
- — Acetate buffer solution pH 4.5. Dissolve 2.99 g of sodium acetate R in water R. Add 14.0 mL of 2 M acetic acid and dilute to 1000.0 mL with water R.
- — Acetate buffer solution pH 5.5. Dissolve 5.98 g of sodium acetate R in water R. Add 3.0 mL of 2 M acetic acid and dilute to 1000.0 mL with water R.
- — Acetate buffer solution pH 5.8. Dissolve 6.23 g of sodium acetate R in water R. Add 2.1 mL of 2 M acetic acid and dilute to 1000.0 mL with water R.
For preparing buffers with the pH values indicated in Table 5.17.1.-3, mix 250.0 mL of 0.2 M potassium dihydrogen phosphate R and the specified volume of 0.2 M sodium hydroxide, and dilute to 1000.0 mL with water R.
![bp2012_v5_47_12_[appendix_xii_b]_3_annex_revised_texts_ep7-3 5171recommendationsondissolutiontesting_3_2012_70_tb.png](bp_images/bp2012_v5_47_12_[appendix_xii_b]_3_annex_revised_texts_ep7-3/5171recommendationsondissolutiontesting_3_2012_70_tb.png)
- — Phosphate buffer solution pH 4.5. Dissolve 13.61 g of potassium dihydrogen phosphate R in 750 mL of water R. Adjust the pH if necessary with 0.1 M sodium hydroxide or with 0.1 M hydrochloric acid. Dilute to 1000.0 mL with water R.
- — Phosphate buffer solution pH 5.5 R.
- — Phosphate buffer solution pH 6.8 R1.
- — 0.33 M phosphate buffer solution pH 7.5 R.
Mix 77.0 mL of 0.2 M sodium hydroxide, 250.0 mL of a solution containing 6.8 g of potassium dihydrogen phosphate R, and 500 mL of water R. Add 10.0 g of pancreas powder R, mix and adjust the pH if necessary. Dilute to 1000.0 mL with water R.
Dissolve 2.0 g of sodium chloride R and 3.2 g of pepsin powder R in water R, add 80 mL of 1 M hydrochloric acid and dilute to 1000.0 mL with water R. If required, pepsin powder may be omitted.
For a test involving increasing pH, one of the following sequences may be used:
![bp2012_v5_47_12_[appendix_xii_b]_3_annex_revised_texts_ep7-3 5171recommendationsondissolutiontesting_4_2012_70_tb.png](bp_images/bp2012_v5_47_12_[appendix_xii_b]_3_annex_revised_texts_ep7-3/5171recommendationsondissolutiontesting_4_2012_70_tb.png)
To achieve this pH variation, it is possible either:
- — to substitute one buffer solution for another (whole substitution);
- — to remove only half of the medium each time (half change method) and replace it with a buffer solution of higher pH: the initial pH is 1.2 and the second solution is phosphate buffer solution pH 7.5; or,
- — to an initial solution at pH 1.5, to add a dose of a powder mixture containing tris(hydroxymethyl)aminomethane R and anhydrous sodium acetate R to obtain pH 4.5 and a second dose to obtain pH 7.2, as described below:
- — hydrochloric acid pH 1.5: dissolve 2 g of sodium chloride R in water R, add 31.6 mL of 1 M hydrochloric acid and dilute to 1000.0 mL with water R;
- — buffer solution pH 4.5: mix 2.28 g of tris(hydroxymethyl)aminomethane R with 1.77 g of anhydrous sodium acetate R; dissolve this mixture in the hydrochloric acid pH 1.5 described above;
- — buffer solution pH 7.2: mix 2.28 g of tris(hydroxymethyl)aminomethane R with 1.77 g of anhydrous sodium acetate R; dissolve this mixture in the buffer solution pH 4.5 described above.
The flow-through cell may be used for the continuous change of pH.
Due to the nature of the test method, quality by design is an important qualification aspect for in vitro dissolution test equipment. Any irregularities such as vibration or undesired agitation by mechanical imperfections are to be avoided.
Qualification of the dissolution test equipment has to consider the dimensions and tolerances of the apparatus. Critical test parameters, such as temperature and volume of dissolution medium, rotation speed or liquid flow rate, sampling probes and procedures, have to be monitored periodically during the periods of use.
The performance of the dissolution test equipment may be monitored by testing a reference product that is sensitive to hydrodynamic conditions. Such tests may be performed periodically or continuously for comparative reasons with other laboratories.
During testing, critical inspection and observation are required. This approach is especially important to explain any outlying results.
Validation of automated systems, whether concerning the sampling and analytical part or the dissolution media preparation and test performance, has to consider accuracy, precision, and the avoidance of contamination by any dilutions, transfers, cleaning and sample or solvent preparation procedures.
The dissolution specification is expressed in terms of the quantity (Q) of active substance dissolved in a specified time, expressed as a percentage of the content stated on the product label.
In most cases, when tested under reasonable and justified test conditions, the acceptance criteria at level S1 are that at least 80 per cent of the active substance is released within a specified time, typically 45 min or less. This corresponds to a Q value of 75 per cent, since, as referred to in Table 2.9.3.-1, for level S1 the individual value of each of the 6 units tested is not less than Q + 5 per cent, i.e. not less than 80 per cent.
Typically, a single-point acceptance criterion is sufficient to demonstrate that the majority of the active substance has been released, although in certain circumstances it may be necessary to test at additional time point(s), in order to demonstrate adequate dissolution.
The dissolution test acceptance criteria for prolonged-release dosage forms is normally expected to consist of 3 or more points. The 1st specification point is intended to prevent unintended rapid release of the active substance ('dose dumping'). It is therefore set after a testing period corresponding to a dissolved amount typically of 20 per cent to 30 per cent. The 2nd specification point defines the dissolution pattern and so is set at around 50 per cent release. The final specification point is intended to ensure almost complete release, which is generally understood as more than 80 per cent release.
A delayed-release dosage form may release the active substance(s) fractionally or totally according to the formulation design when tested in different dissolution media, e.g. in increasing pH conditions. Dissolution specifications therefore have to be decided on a case-by-case basis.
Gastro-resistant dosage forms require at least 2 specification points in a sequential test and 2 different specifications in a parallel test. In a sequential test, the 1st specification point represents an upper limit and is set after 1 h or 2 h in acidic medium, and the 2nd after a pre-set time period of testing in an adequate buffer solution (preferably pH 6.8).
In most cases the acceptance criteria at level B1 are that at least 80 per cent of the active substance is released. This corresponds to a Q value of 75 per cent, since, as referred to in Table 2.9.3.-4, for level B1 the individual value of each of the 6 units tested is not less than Q + 5 per cent, i.e. not less than 80 per cent.
This test is used to determine the dissolution rate of the active ingredients of transdermal patches.
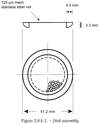
Equipment Use the paddle and vessel assembly from the paddle apparatus described in the dissolution test for solid oral dosage forms (2.9.3) with the addition of a stainless steel disk assembly (SSDA) in the form of a net with an aperture of 125 µm (see Figure 2.9.4.-1).
![bp2012_v5_47_12_[appendix_xii_b]_3_annex_revised_texts_ep7-3 294dissolutiontestfortransdermalpatches_1_2012_70_fig.png](bp_images/bp2012_v5_47_12_[appendix_xii_b]_3_annex_revised_texts_ep7-3/294dissolutiontestfortransdermalpatches_1_2012_70_fig.png)
The SSDA holds the system at the bottom of the vessel and is designed to minimise any dead volume between the SSDA and the bottom of the vessel. The SSDA holds the patch flat, with the release surface uppermost and parallel to the bottom of the paddle blade. A distance of 25 ± 2 mm between the bottom of the paddle blade and the surface of the SSDA is maintained during the test (see Figure 2.9.4.-2). The temperature is maintained at 32 ± 0.5 °C. The vessel may be covered during the test to minimise evaporation.
![bp2012_v5_47_12_[appendix_xii_b]_3_annex_revised_texts_ep7-3 294dissolutiontestfortransdermalpatches_2_2012_70_fig.png](bp_images/bp2012_v5_47_12_[appendix_xii_b]_3_annex_revised_texts_ep7-3/294dissolutiontestfortransdermalpatches_2_2012_70_fig.png)
Procedure Place the prescribed volume of the dissolution medium in the vessel and equilibrate the medium to the prescribed temperature. Apply the patch to the SSDA, ensuring that the release surface of the patch is as flat as possible. The patch may be attached to the SSDA by a prescribed adhesive or by a strip of a double-sided adhesive tape. The adhesive or tape are previously tested for the absence of interference with the assay and of adsorption of the active ingredient(s). Press the patch, release surface facing up, onto the side of the SSDA made adhesive. The applied patch must not overlap the borders of the SSDA. For this purpose and provided that the preparation is homogeneous and uniformly spread on the outer covering, an appropriate and exactly measured piece of the patch may be cut and used for testing the dissolution rate. This procedure may also be necessary to achieve appropriate sink conditions. This procedure must not be applied to membrane-type patches. Place the patch mounted on the SSDA flat at the bottom of the vessel with the release surface facing upwards. Immediately rotate the paddle at 100 r/min, for example. At predetermined intervals, withdraw a sample from the zone midway between the surface of the dissolution medium and the top of the blade, not less than 1 cm from the vessel wall.
Perform the assay on each sample, correcting for any volume losses, as necessary. Repeat the test with additional patches.
Equipment Use the paddle and vessel assembly from the paddle apparatus described in the dissolution test for solid oral dosage forms (2.9.3) with the addition of the extraction cell (cell).
The cell is made of chemically inert materials and consists of a support, a cover and, if necessary, a membrane placed on the patch to isolate it from the medium that may modify or adversely affect the physico-chemical properties of the patch (see Figure 2.9.4.-3).
![bp2012_v5_47_12_[appendix_xii_b]_3_annex_revised_texts_ep7-3 294dissolutiontestfortransdermalpatches_3_2012_70_fig.png](bp_images/bp2012_v5_47_12_[appendix_xii_b]_3_annex_revised_texts_ep7-3/294dissolutiontestfortransdermalpatches_3_2012_70_fig.png)
Support The central part of the support forms a cavity intended to hold the patch. The cavity has a depth of 2.6 mm and a diameter that is appropriate to the size of the patch to be examined. The following diameters can be used: 27 mm, 38 mm, 45 mm, 52 mm, corresponding to volumes of 1.48 mL, 2.94 mL, 4.13 mL, 5.52 mL, respectively.
Cover The cover has a central opening with a diameter selected according to the size of the patch to be examined. The patch can thus be precisely centred, and its releasing surface limited. The following diameters may be used: 20 mm, 32 mm, 40 mm, 50 mm corresponding to areas of 3.14 cm2, 8.03 cm2, 12.56 cm2, 19.63 cm2, respectively. The cover is held in place by nuts screwed onto bolts projecting from the support. The cover is sealed to the support by a rubber ring set on the reservoir.
Extraction cell The cell holds the patch flat, with the release surface uppermost and parallel to the bottom of the paddle blade. A distance of 25 ± 2 mm is maintained between the paddle blade and the surface of the patch (see Figure 2.9.4.-4). The temperature is maintained at 32 ± 0.5 °C. The vessel may be covered during the test to minimise evaporation.
Procedure Place the prescribed volume of the dissolution medium in the vessel and equilibrate the medium to the prescribed temperature. Precisely centre the patch in the cell with the releasing surface uppermost. Close the cell, if necessary applying a hydrophobic substance (for example, petrolatum) to the flat surfaces to ensure the seal, and ensure that the patch stays in place. Introduce the cell flat into the bottom of the vessel with the cover facing upwards. Immediately rotate the paddle, at 100 r/min for example. At predetermined intervals, withdraw a sample from the zone midway between the surface of the dissolution medium and the top of the paddle blade, not less than 1 cm from the vessel wall.
Perform the assay on each sample, correcting for any volume losses, as necessary. Repeat the test with additional patches.
![bp2012_v5_47_12_[appendix_xii_b]_3_annex_revised_texts_ep7-3 294dissolutiontestfortransdermalpatches_4_2012_70_fig.png](bp_images/bp2012_v5_47_12_[appendix_xii_b]_3_annex_revised_texts_ep7-3/294dissolutiontestfortransdermalpatches_4_2012_70_fig.png)
![bp2012_v5_47_12_[appendix_xii_b]_3_annex_revised_texts_ep7-3 294dissolutiontestfortransdermalpatches_5_2012_70_fig.png](bp_images/bp2012_v5_47_12_[appendix_xii_b]_3_annex_revised_texts_ep7-3/294dissolutiontestfortransdermalpatches_5_2012_70_fig.png)
Equipment Use the assembly of the paddle apparatus described in the dissolution test for solid oral dosage forms (2.9.3). Replace the paddle and shaft with a stainless steel cylinder stirring element (cylinder) (see Figure 2.9.4.-5). The patch is placed on the cylinder at the beginning of each test. The distance between the inside bottom of the vessel and the cylinder is maintained at 25 ± 2 mm during the test. The temperature is maintained at 32 ± 0.5 °C. The vessel is covered during the test to minimise evaporation.
Procedure Place the prescribed volume of the dissolution medium in the vessel and equilibrate the medium to the prescribed temperature. Remove the protective liner from the patch and place the adhesive side on a piece of suitable inert porous membrane that is at least 1 cm larger on all sides than the patch. Place the patch on a clean surface with the membrane in contact with this surface. Two systems for adhesion to the cylinder may be used:
- — apply a suitable adhesive to the exposed membrane borders and, if necessary, to the back of the patch,
- — apply a double-sided adhesive tape to the external wall of the cylinder.
Using gentle pressure, carefully apply the non-adhesive side of the patch to the cylinder, so that the release surface is in contact with the dissolution medium and the long axis of the patch fits around the circumference of the cylinder.
The system for adhesion used is previously tested for absence of interference with the assay and of adsorption of the active ingredient(s).
Place the cylinder in the apparatus, and immediately rotate the cylinder at 100 r/min, for example. At determined intervals, withdraw a sample of dissolution medium from a zone midway between the surface of the dissolution medium and the top of the rotating cylinder, and not less than 1 cm from the vessel wall.
Perform the assay on each sample as directed in the individual monograph, correcting for any volume withdrawn, as necessary. Repeat the test with additional patches.
Interpretation The requirements are met if the quantity of active ingredient(s) released from the patch, expressed as the amount per surface area per time unit, is within the prescribed limits at the defined sampling times.
The apparatus (see Figure 2.9.42.-1) consists of:
- — A reservoir for the dissolution medium.
- — A pump that forces the dissolution medium upwards through the flow-through cell.
- — A flow-through cell shown in Figure 2.9.42.-2 specifically intended for lipophilic solid dosage forms such as suppositories and soft capsules. It consists of 3 transparent parts which fit into each other. The lower part (1) is made up of 2 adjacent chambers connected to an overflow device.
- The dissolution medium passes through chamber A and is subjected to an upwards flow. The flow in chamber B is downwards directed to a small-size bore exit which leads upwards to a filter assembly. The middle part (2) of the cell has a cavity designed to collect lipophilic excipients which float on the dissolution medium. A metal grill serves as a rough filter. The upper part (3) holds a filter unit for paper, glass fibre or cellulose filters.
- — A water-bath that will maintain the dissolution medium at 37 ± 0.5 °C.
![bp2012_v5_47_12_[appendix_xii_b]_3_annex_revised_texts_ep7-3 2942dissolutiontestlipophilicsoliddosageforms_1_2012_70_fig.png](bp_images/bp2012_v5_47_12_[appendix_xii_b]_3_annex_revised_texts_ep7-3/2942dissolutiontestlipophilicsoliddosageforms_1_2012_70_fig.png)
Dissolution medium If the dissolution medium is buffered, adjust its pH to within ± 0.05 units of the prescribed value. Remove any dissolved gases from the dissolution medium before the test since they can cause the formation of bubbles that significantly affect the results.
Place 1 unit of the preparation to be examined in chamber A. Close the cell with the prepared filter assembly. At the beginning of the test, chamber A requires air removal via a small orifice connected to the filter assembly. Heat the dissolution medium to an appropriate temperature taking the melting point of the preparation into consideration. Using a suitable pump, introduce the warmed dissolution medium through the bottom of the cell to obtain a suitable continuous flow through an open or closed circuit at the prescribed rate (± 5 per cent). When the dissolution medium reaches the overflow, air starts to escape through the capillary and chamber B fills with the dissolution medium. The preparation spreads through the dissolution medium according to its physico-chemical properties.
In justified and authorised cases, representative fractions of large volume suppositories may be tested.
![bp2012_v5_47_12_[appendix_xii_b]_3_annex_revised_texts_ep7-3 2942dissolutiontestlipophilicsoliddosageforms_2_2012_70_fig.png](bp_images/bp2012_v5_47_12_[appendix_xii_b]_3_annex_revised_texts_ep7-3/2942dissolutiontestlipophilicsoliddosageforms_2_2012_70_fig.png)
Samples are always collected at the outlet of the cell, irrespective of whether the circuit is opened or closed.
Filter the liquid removed using an inert filter of appropriate pore size that does not cause significant adsorption of the active substance from the solution and does not contain substances extractable by the dissolution medium that would interfere with the prescribed analytical method. Proceed with analysis of the filtrate as prescribed.
The quantity of the active substance dissolved in a specified time is expressed as a percentage of the content stated on the label.
![bp2012_v5_47_12_[appendix_xii_b]_3_annex_revised_texts_ep7-3 2925dissolutiontestformedicatedchewinggums_1_2012_70_fig.png](bp_images/bp2012_v5_47_12_[appendix_xii_b]_3_annex_revised_texts_ep7-3/2925dissolutiontestformedicatedchewinggums_1_2012_70_fig.png)
The test is used to determine the dissolution rate of active substances in medicated chewing gums. This is done by applying a mechanical kneading procedure to a piece of gum placed in a small chamber designed to simulate the process of chewing.
The chewing apparatus (Figure 2.9.25.-1) consists of:
- — 1 chewing chamber,
- — 1 vertical piston,
- — 2 horizontal pistons with O-rings and sealing rings.
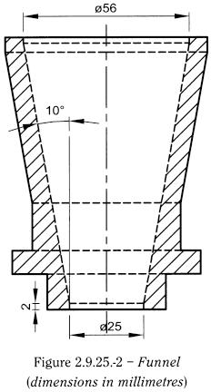
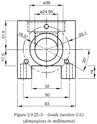
The chewing chamber consists of 4 individual parts:
- — 1 central chamber,
- — 1 funnel (Figure 2.9.25.-2),
- — 2 guides with bushes (Figure 2.9.25.-3).
Funnel and guides are mounted on the central chamber. The O-rings are incorporated in the piston recess with the sealing ring round it; the sealing rings ensure that the chamber is watertight. The horizontal pistons are placed in the chewing chamber through the guides.
The gum is artificially chewed by the horizontal pistons, and the vertical piston ensures that the gum stays in the right place between chews.
Machine speed is controlled to ensure a constant cycle. One cycle (chew) is defined as follows: the horizontal pistons start from their outermost position, move to their innermost position and back to their outermost position. Within one cycle, the vertical piston moves from its lowest position to its uppermost position and back to its lowest position.
Each horizontal piston has a stroke of 25.0 mm. The maximum distance between these 2 pistons is 50 mm. The minimum distance between the 2 horizontal pistons is 0.1 mm to 1.0 mm. The vertical piston has a stroke of 22.0 mm.
Horizontal piston movement is controlled, so that the 2 pistons are at their innermost position at the same time. Vertical piston movement is controlled, so it does not conflict with the movement of the horizontal pistons.
If necessary, the machine can be constructed so that the horizontal pistons rotate around their own axes in opposite direction to each other by the end of the chew in order to obtain maximum chewing.
All parts of the apparatus that may come in contact with the preparation or the dissolution medium are chemically inert and do not adsorb, react or interfere with the sample.
For each determination, the following information is needed:
- — composition, volume and temperature of the dissolution medium,
- — number of chews per minute,
- — time and sampling method,
- — whether the analysis is performed on the gum residue or on the dissolution medium,
- — method of analysis.
Place the prescribed volume of dissolution medium in the chewing chamber, usually 20 mL of phosphate buffer solution pH 6.0 R2. Maintain the medium temperature at 37 ± 0.5 °C using an electrical device with external control. Set the piston speed at the prescribed number of chews per minute (usually 60). Accurately weigh a portion of gum or the whole gum, put it into the chewing chamber and start the machine.
Stop the apparatus at the prescribed time. Remove the gum residue and take a sample of the dissolution medium. Determine the content of active substance(s) by a suitable method. Medium replacement may be made after each sampling procedure; compensation by calculation of medium volume change or sample dilution is needed. Alternatively, determine the content of active substance(s) remaining in the gum residue. Carry out the test successively on 6 medicated chewing gums.
The quantity of active substance(s) dissolved in a specified time is expressed as a percentage of the content stated on the label.
![bp2012_v5_47_12_[appendix_xii_b]_3_annex_revised_texts_ep7-3 2925dissolutiontestformedicatedchewinggums_2_2012_70_fig.png](bp_images/bp2012_v5_47_12_[appendix_xii_b]_3_annex_revised_texts_ep7-3/2925dissolutiontestformedicatedchewinggums_2_2012_70_fig.png)
![bp2012_v5_47_12_[appendix_xii_b]_3_annex_revised_texts_ep7-3 2925dissolutiontestformedicatedchewinggums_3_2012_70_fig.png](bp_images/bp2012_v5_47_12_[appendix_xii_b]_3_annex_revised_texts_ep7-3/2925dissolutiontestformedicatedchewinggums_3_2012_70_fig.png)
The test is intended to determine the intrinsic dissolution rate of pure solid substances following compaction. It is carried out under specified experimental conditions such that a practical measure of the intrinsic dissolution rate is obtained.
The intrinsic dissolution rate is a theoretical value referring to pure solid substances having null porosity, but, practically, intrinsic dissolution rate is determined on substances having a minimal porosity.
![bp2012_v5_47_12_[appendix_xii_b]_3_annex_revised_texts_ep7-3 2929intrinsicdissolution_1_2012_70_fig.png](bp_images/bp2012_v5_47_12_[appendix_xii_b]_3_annex_revised_texts_ep7-3/2929intrinsicdissolution_1_2012_70_fig.png)
The intrinsic dissolution rate is defined as the dissolution rate of pure substances following compaction under the condition of constant surface area. Its assessment is useful in the characterisation of active substances and excipients.
The dissolution rate of pure substances can be affected by all the solid state properties such as crystal habit, crystallinity, amorphism, polymorphism, pseudo-polymorphism, particle size and specific surface area. In addition, it can also be influenced by extrinsic factors (test conditions), such as hydrodynamics, temperature, viscosity, pH, buffer strength and ionic strength of the dissolution medium.
The assessment of intrinsic dissolution rate of a solid substance involves the preparation of a compact. Assurance of appropriate compaction properties of the powder to be tested is needed prior to performing the test.
The intrinsic dissolution rate is determined by exposing a constant area of the compacted substance to an appropriate dissolution medium, while maintaining constant stirring rate, temperature, ionic strength and pH.
The intrinsic dissolution rate is expressed in terms of dissolved mass of substance per time per exposed area, typically in milligrams per minute per square centimetre (mg·min-1·cm-2).
A typical apparatus consists of a punch and die fabricated out of hardened steel. The base of the die has 3 threaded holes for the attachment of a surface plate made of polished steel, providing a mirror-smooth base for the compact. The die has a 0.1-1.0 cm diameter cavity into which a measured amount of the powder to be tested is placed. The punch is then inserted in the die cavity and the material is compressed, generally using a benchtop hydraulic press. A hole through the head of the punch allows insertion of a metal rod to facilitate removal from the die after the test. A compact is formed in the cavity with a single face of defined area exposed on the bottom of the die (Figure 2.9.29.-1). The bottom of the die cavity is threaded so that at least 50-75 per cent of the compact can dissolve without falling out of the die. The top of the die has a threaded shoulder that allows it to be attached to a holder. The holder is mounted on a laboratory stirring device, and the entire die, with the compact still in place, is immersed in the dissolution medium and rotated by the stirring device.
Weigh the material onto a piece of weighing paper. Attach the surface plate to the underside of the die, and secure it with the 3 provided screws. Transfer the sample of powder tested into the die cavity. Place the punch into the chamber, and secure the metal plate on the top of the assembly. Compress the powder using a hydraulic press by applying a suitable pressure for a sufficient dwell time to ensure a stable compact with minimal porosity; the disintegration of the compact has to be prevented as far as possible, since it would cause an increase in surface area and hence in dissolution rate. Detach the surface plate, and screw the die with punch still in place into the holder. Tighten securely. Remove all loose powder from the surface of the die by blowing compressed air or nitrogen across the surface of the compact.
Slide the die-holder assembly into the dissolution test chuck and tighten. Position the shaft in the spindle so that when the test head is lowered, the exposed surface of the compact will be 3.8 cm from the bottom of the vessel. The disc assembly is aligned to minimise wobble and air bubbles are not allowed to form as this could decrease the compact surface in contact with the dissolution medium. If possible, sink conditions are maintained throughout the test. However, in order to obtain detectable concentrations of solute, the use of a relatively small volume of medium may be necessary as a consequence of the limited surface available for dissolution.
Warm the dissolution medium to the temperature chosen for the test. Lower the test head into position before rotation. Care should be taken to ensure that air bubbles are excluded from the surface of the compact as this could decrease the compact surface in contact with the dissolution medium. Operate the apparatus immediately at the speed of rotation chosen for the test.
Collect samples at fixed time intervals and assay them by means of an analytical method of suitable sensitivity and accuracy.
The data for the cumulative amount dissolved at each time point are corrected for sampling losses. To calculate the intrinsic dissolution rate, plot the cumulative amount of sample dissolved per unit area of the compact against time. The cumulative amount dissolved per unit area is given by the cumulative amount dissolved at each time point divided by the surface area exposed. Linear regression is then performed on the normalised experimental data relevant to an appropriate time interval preceding the possible disintegration of the compact. The intrinsic dissolution rate of the substance tested, expressed in milligrams per minute per square centimetre, is determined from the slope of the regression line. The result for intrinsic dissolution rate must be accompanied by a statement of the precise conditions of compact preparation and test method (dissolution medium, volume of medium used, stirring rate, temperature etc.).
NOTE: when necessary and justified, an apparatus with a different configuration may be used, such as a die holder that holds the compact in a fixed vertical position, with agitation provided by a paddle positioned at a defined distance from the surface of the compact.
This method is mainly used to determine the apparent dissolution rate of pure solid substances. It may also be used for the determination of the apparent dissolution rate of active substances in preparations presented as powders or granules.
![bp2012_v5_47_12_[appendix_xii_b]_3_annex_revised_texts_ep7-3 2943apparentdissolution_1_2012_70_fig.png](bp_images/bp2012_v5_47_12_[appendix_xii_b]_3_annex_revised_texts_ep7-3/2943apparentdissolution_1_2012_70_fig.png)
All parts of the apparatus that may come into contact with the sample or the dissolution medium are chemically inert and do not adsorb, react with, or interfere with the test sample. No part of the assembly or its environment contributes significant motion, agitation or vibration beyond that resulting from the flow-through system.
Apparatus that permits observation of the sample is preferable.
The apparatus (see Figure 2.9.43.-1) consists of:
- — a reservoir for the dissolution medium;
- — a pump that forces the dissolution medium upwards through the flow-through cell;
- — a flow-through cell, preferably of transparent material, mounted vertically with a filter system preventing escape of undissolved particles;
- — a water-bath that will maintain the dissolution medium at the chosen temperature (generally 37 ± 0.5 °C).
The flow-through cell shown in Figure 2.9.43.-2 consists of 3 parts that fit into each other. The lower part supports a system of grids and filters on which the powder is placed. The middle part, which fits onto the lower part, contains an insert that sieves the sample when the dissolution medium flows through the cell. This insert is made up of 2 parts: a conical sieve that is placed on the sample and a clip placed midway down the middle part to hold the sieve in place when the dissolution medium passes through. A 2nd filtration assembly (grid and filter) is placed on top of the middle part before fitting the upper part through which the dissolution medium flows out of the cell.
If the dissolution medium is buffered, adjust its pH to within ± 0.05 units. Remove any dissolved gases from the dissolution medium before the test, since they can cause the formation of bubbles, which significantly affect the results.
Place a bead of 5 ± 0.5 mm diameter at the bottom of the cone of the lower part followed by glass beads of suitable size, preferably of 1 ± 0.1 mm diameter. Place a sieve (with 0.2 mm apertures), a suitable filter and a 2nd sieve on top of the lower part. Fit the middle part onto the lower part. Weigh the assembly. Place the sample on the filtration assembly and weigh the sample in the cell. Place the sieve of the insert, cone upwards, on the sample, and position the clip midway down the middle part. Place a sieve (with 0.2 mm apertures) and a suitable filter on top of the middle part. Fit the upper part. Heat the dissolution medium to the chosen temperature. Using a suitable pump, introduce the dissolution medium through the bottom of the cell to obtain a suitable continuous flow through an open or closed circuit at the prescribed rate ± 5 per cent.
Samples of dissolution medium are collected at the outlet of the cell, irrespective of whether the circuit is opened or closed.
Immediately filter the liquid removed using an inert filter of appropriate pore size that does not cause significant adsorption of the substances from the solution and does not contain substances extractable by the dissolution medium that would interfere with the prescribed analytical method. Proceed with the analysis of the filtrate as prescribed.
When the test is performed for batch release purposes, an adequate number of replicates is carried out.
The results are expressed as:
- — the amount of dissolved substance by time unit (if the dissolution is linear);
- — the dissolution time of the whole sample and at appropriate intermediate stages.
![bp2012_v5_47_12_[appendix_xii_b]_3_annex_revised_texts_ep7-3 2943apparentdissolution_2_2012_70_fig.png](bp_images/bp2012_v5_47_12_[appendix_xii_b]_3_annex_revised_texts_ep7-3/2943apparentdissolution_2_2012_70_fig.png)